logofff
logofinsterbusch
Unsere Sauna-Informationen

Finsterbusch-Hotline
Ihre Kundenberaterin
Anke Della-Bella


Zur mobilen Version von www.sauna-pool.de
www.sauna-pool.de
für Tablet + Smartphone


Ferien-Chalet in der französischen Dordogne!

Ferien-Chalet in Frankreich https://www.joiedusilence.com/de/
Unser erstes Saunahaus in Frankreich lädt Sie ein in ein idyllisch gelegenes Domizil in der Nähe von Bordeaux.


Besuchen Sie unsere Schwesterseiten:

Sauna-Kundenprogramm - Sauna der Familie Gamnitz


Kleinsauna der Familie Gamnitz

- PLZ-Bereich 01... - Nähe Dresden -


zurück zur Auswahl

- 40 mm Massivholzsauna "Massiva-40" -

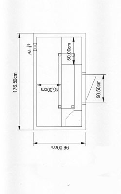
Sauna-Skizze:

Sauna-Grundriss der Familie Gamnitz

Sauna-Foto (für weitere Fotos klicken Sie in das Bild):


Sauna-Foto der Familie Gamnitz
 
Sauna-Foto der Familie Gamnitz
Sauna-Foto der Familie Gamnitz
Sauna-Foto der Familie Gamnitz

Saunagröße 176 cm x 96 cm x 200 cm ,

Besonderheiten dieser Sauna:

3,6 kW Saunaofen Delta EE mit integrierter Steuerung von Harvia (220 Volt Betrieb)


Gefällt Ihnen dieser Grundriss? Trifft er evtl. auch auf Ihre Raumsituation zu?
Dann fordern Sie doch jetzt:

Hand  Ihr persönliches Angebot an - oder

Hand  informieren Sie sich auf unseren Saunaseiten weiter zum individuellen Saunabau - oder

Hand unten stellen Sie hier unten Ihre Kunden-Anfrage.


Meine Anfrage an Familie Gamnitz

Hier können Sie per e-mail oder über telefonischen Rückruf direkt mit unseren Kunden Kontakt aufnehmen, evtl. auch um einen Termin für eine Ortsbesichtigung bitten.


25. Mai 2018:

Sehr geehrte Besucher unseres Kunden-Partner-Programms,

ab dem obigen Datum trat EU-weit die neue Datenschutz-Grundverordnung (DSGVO) in Kraft. Bis zu diesem Zeitpunkt konnten Sie über ein Kontakt-Formular auf dieser Seite mit unseren Kunden im Kunden-Partner-Programm in Kontakt treten.

Seitdem werden Anforderungen an die Datensicherheit gestellt, welche für diese spezielle Möglichkeit ein sinnvolles Maß an Vorkehrungen überschreitet.

Daher bitten wir Sie bei Interesse für die obige Sauna-Variante herzlich, uns per E-Mail
- anhand der Benennung der Sauna (kopieren Sie dazu bitte auf dieser Seite oben die URL der Seite - https://www.sauna-pool.de.... - in Ihre E-Mail) sowie
- Ihrer Fragen an unsere Kunden
über Ihr Interesse an der gezeigten Kunden-Sauna zu unterrichten.

Mit dem Versand dieser E-Mail willigen Sie zugleich ein, dass Ihre freiwillig gemachten Angaben zu Ihrer Person (Name, Vorname, Anschrift, Kontaktmöglichkeit) von uns auf Grundlage des §6 Abs.1 a) DSGVO zum Zwecke der Umsetzung im Kunden-Partner-Programm so lange gespeichert und verarbeitet werden, bis sie nach Ende des Verarbeitungszweckes wieder gelöscht werden. Wir geben diese Daten an unsere Kunden zwecks Kontaktanbahnung weiter. Sie können Ihre Einwilligung zur Speicherung und Verarbeitung jederzeit unter der E-Mail: kundenprogramm@sauna-pool.de mittels eindeutig formulierten Textes widerrufen.

Wir freuen uns auf Ihre Anfrage und danken für Ihr Verständnis.


Pfeil nach oben


Sauna-Kundenprogramm - Sauna der Familie Gamnitz